Product Summary
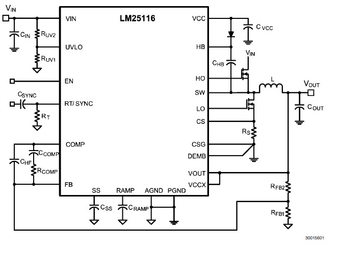
The LM25116MH is a synchronous buck controller intended for step-down regulator applications from a high voltage or widely varying input supply. The control method is based upon current mode control utilizing an emulated current ramp. Current mode control provides inherent line feed-forward, cycle by cycle current limiting and ease of loop compensation. The use of an emulated control ramp reduces noise sensitivity of the pulse-width modulation circuit, allowing reliable control of very small duty cycles necessary in high input voltage applications. The operating frequency is programmable from 50kHz to 1MHz. The LM25116MH drives external high-side and low-side NMOS power switches with adaptive dead-time control. A user-selectable diode emulation mode enables discontinuous mode operation for improved efficiency at light load conditions. A low quiescent current shutdown disables the controller and consumes less than 10μA of total input current. Additional features include a high voltage bias regulator, automatic switch-over to external bias for improved efficiency, thermal shutdown, frequency synchronization, cycle by cycle current limit and adjustable line under-voltage lockout. The LM25116MH is available in a power enhanced TSSOP-20 package featuring an exposed die attach pad to aid thermal dissipation.
Parametrics
LM25116MH absolute maximum ratings: (1)VIN to GND: -0.3V to 45V; (2)VCC, VCCX, UVLO to GND (Note 3): -0.3 to 16V; (3)SW, CS to GND: -3.0 to 45V; (4)HB to SW: -0.3 to 16V; (5)HO to SW: -0.3 to HB+0.3V; (6)VOUT to GND: -0.3 to 45V; (7)CSG to GND: -1V to 1V; (8)LO to GND: -0.3 to VCC+0.3V; (9)SS to GND: -0.3 to 7V; (10)FB to GND: -0.3 to 7V; (11)DEMB to GND: -0.3 to VCC.
Features
LM25116MH features: (1)Emulated peak current mode; (2)Wide operating range up to 42V; (3)Low IQ shutdown (<10μA); (4)Drives standard or logic level MOSFETs; (5)Robust 3.5A peak gate drive; (6)Free-run or synchronous operation to 1MHz; (7)Optional diode emulation mode; (8)Programmable output from 1.215V to 36V; (9)Precision 1.5% voltage reference; (10)Programmable current limit; (11)Programmable soft-start; (12)Programmable line under-voltage lockout; (13)Automatic switch to external bias supply; (14)TSSOP-20EP exposed pad; (15)Thermal shutdown.
Diagrams

| Image | Part No | Mfg | Description | ![]() |
Pricing (USD) |
Quantity | ||||||||||||
|---|---|---|---|---|---|---|---|---|---|---|---|---|---|---|---|---|---|---|
![]() |
![]() LM25116MH |
![]() National Semiconductor (TI) |
![]() DC/DC Switching Controllers |
![]() Data Sheet |
![]()
|
|
||||||||||||
![]() |
![]() LM25116MH/NOPB |
![]() National Semiconductor (TI) |
![]() DC/DC Switching Controllers WIDE RANGE SYNC BUCK CONTROLLER |
![]() Data Sheet |
![]()
|
|
||||||||||||
![]() |
![]() LM25116MHX/NOPB |
![]() National Semiconductor (TI) |
![]() DC/DC Switching Controllers |
![]() Data Sheet |
![]()
|
|
||||||||||||
![]() |
![]() LM25116MHX |
![]() National Semiconductor (TI) |
![]() DC/DC Switching Controllers |
![]() Data Sheet |
![]()
|
|
||||||||||||
(China (Mainland))










