Product Summary
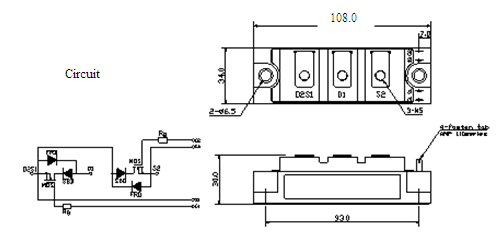
The PD10M440H is a power supply for the communications and the induction heating.
Parametrics
PD10M440H absolute maximum ratings: (1)Drain-Source Voltage: (VGS=0V) VDSS 450 500V; (2)Gate -Source Voltage: VGSS +/ -20V; (3)Continuous Drain Current: ID Duty=50% 85 (Tc=25°C) D.C.60 (Tc=25°C)A; (4)Pulsed Drain Current: IDM 170 (Tc=25°C)A; (5)Total Power Dissipation: PD 730 (Tc=25°C)W; (6)Operating Junction Temperature Range: Tjw -40 to +150°C; (7)Storage Temperature Range: Tstg-40 to +125°C; (8)Isolation Voltage Terminals to Base AC, 1 min: VISO 2000V.
Features
PD10M440H features: (1)Dual MOSFETs Cascaded Circuit; (2)Prevented Body Diodes of MOSFETs bySBDs, and Ultra Fast Recovery DiodesConnectedin Parallel; (3)300KHzHigh Speed SwitchingPossible.
Diagrams

| Image | Part No | Mfg | Description | ![]()  | 
                            Pricing (USD)  | 
                            Quantity | ||||
|---|---|---|---|---|---|---|---|---|---|---|
![]()  | 
                            ![]() PD10M440H  | 
                            ![]() Other  | 
                            ![]()  | 
                            ![]() Data Sheet  | 
                            ![]() Negotiable  | 
                            
                            	 | 
                      ||||
| Image | Part No | Mfg | Description | ![]()  | 
                            Pricing (USD)  | 
                            Quantity | ||||
![]()  | 
                            ![]() PD100  | 
                            ![]() Other  | 
                            ![]()  | 
                            ![]() Data Sheet  | 
                            ![]() Negotiable  | 
                            
                            	 | 
                      ||||
![]()  | 
                            ![]() PD100-003-0xx  | 
                            ![]() Other  | 
                            ![]()  | 
                            ![]() Data Sheet  | 
                            ![]() Negotiable  | 
                            
                            	 | 
                      ||||
![]()  | 
                            ![]() PD100-003-1xx  | 
                            ![]() Other  | 
                            ![]()  | 
                            ![]() Data Sheet  | 
                            ![]() Negotiable  | 
                            
                            	 | 
                      ||||
![]()  | 
                            ![]() PD100-003-3xx  | 
                            ![]() Other  | 
                            ![]()  | 
                            ![]() Data Sheet  | 
                            ![]() Negotiable  | 
                            
                            	 | 
                      ||||
![]()  | 
                            ![]() PD100-003-5xx  | 
                            ![]() Other  | 
                            ![]()  | 
                            ![]() Data Sheet  | 
                            ![]() Negotiable  | 
                            
                            	 | 
                      ||||
![]()  | 
                            ![]() PD10-0040-S  | 
                            ![]() Other  | 
                            ![]()  | 
                            ![]() Data Sheet  | 
                            ![]() Negotiable  | 
                            
                            	 | 
                      ||||
 (China (Mainland)) 
                         
                        
                                    







