Product Summary
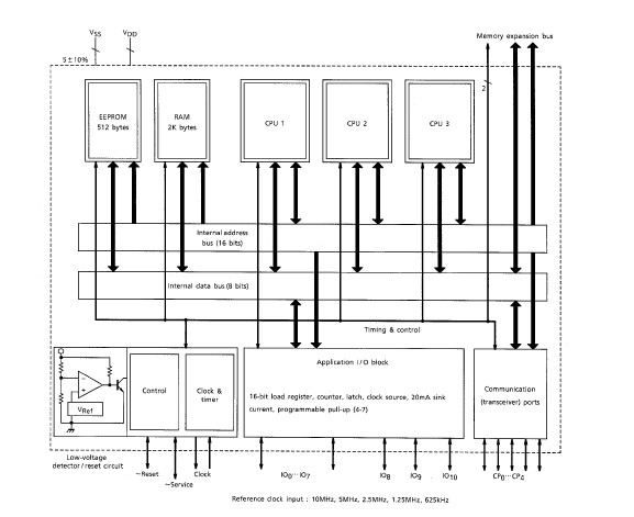
The TMPN3150B1AFG is a Neuron Chip which configures LONWORKS nodes in combination with external memory. The TMPN3150B1AFG has all the built-in communications and control functions required to implement LONWORKS nodes. These nodes may then be easily integrated into highly-reliable distributed intelligent control networks.
Parametrics
TMPN3150B1AFG absolute maximum ratings: (1)Power Supply Voltage VDD: -0.3~7.0 V; (2)Input Voltage VIN: -0.3~VDD+0.3 V; (3)Power Dissipation PD: 800 mW; (4)Storage Temperature Tstg: -65~150 °C.
Features
TMPN3150B1AFG features: (1)Application programs are also stored within the EEPROM. Can be updated by downloading over the network. EEPROM can be externally added; (2)Built-in watch-dog timer; (3)Each chip has a unique ID number. Effective during the logical installation of networks; (4)Low electrical consumption mode supported with a sleep mode.; (5)Built-in low-voltage detection circuit. Prevents incorrect operations and writing errors in the EEPROM during drops in power voltage; (6)The package is QFP64-P-1414-0.80C (Lead-Free Type (Pd PrePlated Frame).
Diagrams

| Image | Part No | Mfg | Description | ![]() |
Pricing (USD) |
Quantity | ||||
|---|---|---|---|---|---|---|---|---|---|---|
![]() |
![]() TMPN3150B1AFG |
![]() Other |
![]() |
![]() Data Sheet |
![]() Negotiable |
|
||||
![]() |
![]() TMPN3150B1AFG(I) |
![]() Toshiba |
![]() Network Controller & Processor ICs Neuron Chip w/ ext ROM I/F |
![]() Data Sheet |
![]() Negotiable |
|
||||
(China (Mainland))









