Product Summary
The TMS320F2811PBKA is a DSP. It is suitable for demanding control applications. Its package is LQFP-128.
Parametrics
TMS320F2811PBKA absolute maximum ratings: (1)Supply voltage range, VDDIO, VDD3VFL, VDDA1, VDDA2, VDDAIO, and AVDDREFBG: -0.3 V to 4.6 V; (2)Supply voltage range, VDD, VDD1: -0.5 V to 2.5 V; (3)Input voltage range, VIN: -0.3 V to 4.6 V; (4)Output voltage range, VO: -0.3 V to 4.6 V; (5)Output clamp current, IOK (VO < 0 or VO > VDDIO): ±20 mA; (6)Junction temperature range, Tj: -40℃ to 150℃.
Features
TMS320F2811PBKA features: (1)High-Performance Static CMOS Technology; (2)JTAG Boundary Scan Support?
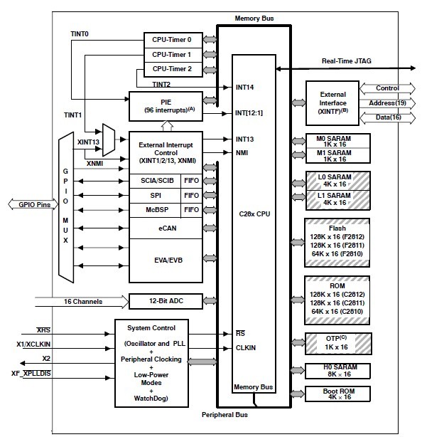
High-Performance 32-Bit CPU; (3)On-Chip Memory; (4)Single-Access RAM (SARAM); (5)Boot ROM (4K x 16); (6)External Interface (2812); (7)Clock and System Control; (8)Three External Interrupts; (9)Three 32-Bit CPU-Timers.
Diagrams

| Image | Part No | Mfg | Description | ![]()  | 
                            Pricing (USD)  | 
                            Quantity | ||||||||||||
|---|---|---|---|---|---|---|---|---|---|---|---|---|---|---|---|---|---|---|
![]()  | 
                            ![]() TMS320F2811PBKA  | 
                            ![]() Texas Instruments  | 
                            ![]() Digital Signal Processors & Controllers (DSP, DSC) 32-Bit Digital Sig Controller w/Flash  | 
                            ![]() Data Sheet  | 
                            ![]() 
  | 
                            
                            	 | 
                      ||||||||||||
| Image | Part No | Mfg | Description | ![]()  | 
                            Pricing (USD)  | 
                            Quantity | ||||||||||||
![]()  | 
                            ![]() TMS3112  | 
                            ![]() Other  | 
                            ![]()  | 
                            ![]() Data Sheet  | 
                            ![]() Negotiable  | 
                            
                            	 | 
                      ||||||||||||
![]()  | 
                            ![]() TMS3121  | 
                            ![]() Other  | 
                            ![]()  | 
                            ![]() Data Sheet  | 
                            ![]() Negotiable  | 
                            
                            	 | 
                      ||||||||||||
![]()  | 
                            ![]() TMS320  | 
                            ![]() Other  | 
                            ![]()  | 
                            ![]() Data Sheet  | 
                            ![]() Negotiable  | 
                            
                            	 | 
                      ||||||||||||
![]()  | 
                            ![]() TMS32010  | 
                            ![]() Other  | 
                            ![]()  | 
                            ![]() Data Sheet  | 
                            ![]() Negotiable  | 
                            
                            	 | 
                      ||||||||||||
![]()  | 
                            ![]() TMS320AV7110  | 
                            ![]() Other  | 
                            ![]()  | 
                            ![]() Data Sheet  | 
                            ![]() Negotiable  | 
                            
                            	 | 
                      ||||||||||||
![]()  | 
                            ![]() TMS320BC51PQ100  | 
                            ![]() Texas Instruments  | 
                            ![]() Digital Signal Processors & Controllers (DSP, DSC) TMS320C51PQ - 132QFP - 100MHZ/BOOT CODE  | 
                            ![]() Data Sheet  | 
                            ![]() Negotiable  | 
                            
                            	 | 
                      ||||||||||||
 (China (Mainland)) 
                         
                        
                                    








